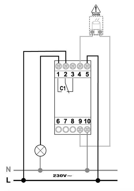
Interruttore orario crepuscolare orario "LUX-TIME"1 canale - 2 DIN, la soluzionedefinitiva alla gestione dei carichi in base al tempo o alla luminosità e/ocombinazioni di esse.

PER1IC7054

PERRY ELECTRIC
Interruttore orario crepuscolare orario "LUX-TIME" 1 canale - 2 DIN, la soluzione definitiva alla gestione dei carichi in base al tempo o alla luminosità e/o combinazioni di esse.Tensione di alimentazione 230Vc.a.+/-10%, 50HzDati nominali contatti 16(2) A / 250V c.a. Numero programmi max …
Leggi la descrizione completa

Interruttore orario crepuscolare orario "LUX-TIME" 1 canale - 2 DIN, la soluzione definitiva alla gestione dei carichi in base al tempo o alla luminosità e/o combinazioni di esse.Tensione di alimentazione 230Vc.a.+/-10%, 50Hz

Dati nominali contatti 16(2) A / 250V c.a.

Numero programmi max (ON+OFF) 45

Tempo di inserzione minimo ON – OFF 1 minuto

Visualizzazioni display LCD 1" 1/3 retroilluminato

Potenza commutabile max 3500 VA (per singolo contatto)

Potenza: LP incandescenza 2300 W

Potenza: LP tubi fluorescenti non compensato 1000 W

Potenza: LP tubi fluorescenti comp. in parallelo 500W (capacità tot 70 microF)

Potenza: LP fluorescenti compatte 600W

Sezione max dei cavi ai morsetti 6 mmq

Grado di protezione (IP) IP 20 - IP 40 (a retroquadro)

Tipo di uscita morsetti a vite imperdibile

Classe di isolamento II

Segnalazione relè ON / OFF ON / OFF su display LCD

Riserva di carica 6 anni

Tipo di riserva batteria sostituibile CR2032

Ritardo accensione/spegnimento 1 sec/59 min

Tolleranza sul tempo + - 0.5 sec/giorno

Limiti di temperatura di funzionamento -20°C/+60°C

Temperatura di stoccaggio -30°C/+80°C

Tipo installazione su guida DIN / a retroquadro

Involucro termoplastico - grigio RAL 7035

Tipo uso civile / terziario / industriale

Comandi a bordo tasti programmazione tasto funzione manuale ON / OFF

Precisione impostazione orologio digitale per ore / minuti

Cambio ora legale automatica per 4 aree geografiche

Programmazione digitale per ore / minuti / secondi

Dimensioni (LxPxH) 35 x 60 x 30 mm

Quantità
Quantita Min di Vendita 1
Unità di misura PCE
Famiglia
Famiglia Di Sconto Codice PERRY2023
Famiglia Di Sconto Descrizione LISTINO VENDITA
Famiglia Statistica Codice A
Famiglia Statistica Descrizione INTERRUTTORI CREPUSCOLARI
Codici
Codice produttore 1IC7054
EAN Code 8019108010196
Gestione
Validità listino 2023/09/01 00:00:00